
全球知名半導體製造商ROHM(總部位於日本京都)新推出四款支持汽車電子產品可靠性標準AEC-Q101※1)的1200V耐壓IGBT“RGS系列”產品。該系列產品非常適用於電動壓縮機※2)的逆變器電路和PTC加熱器※3)的開關電路,而且傳導損耗更低※4),達到業界領先水準,非常有助於應用的小型化與高效化。另外,加上已經在量產中的650V產品,該系列共擁有11種機型,產品陣容豐富,可滿足客戶多樣化需求。
買IC網 - 電子元器件代理與採購 | IC交易網 - 買IC就找買IC網

該系列產品已於2019年1月份開始暫以月產100萬個的規模投入量產(樣品價格750日元~/個,不含稅)。前期工序的生產基地為LAPIS Semiconductor Miyazaki Co., Ltd.(日本宮崎縣),後期工序的生產基地為ROHM Integrated Systems (Thailand)(泰國)。
近年來,隨著環保意識的提高和燃油價格的飆升,電動汽車的市場需求不斷增長。搭載引擎的傳統車輛,壓縮機的動力源為引擎,而隨著電動車輛的增加,壓縮機日益電動化,而且其市場規模也在不斷擴大。另外,以往汽車空調制熱,是利用引擎運行的廢熱;如今以PTC加熱器為熱源使溫水迴圈制熱的系統等的需求也在日益增加。由於驅動頻率較低,這些應用的逆變器電路和開關電路中所使用的半導體主要是IGBT。尤其是在電動汽車中,壓縮機和加熱器的功耗會影響續航距離,因此需要更高的效率。
另一方面,為了延長電動汽車(EV)的續航距離,所配置電池的容量也呈日益增加趨勢。特別是在歐洲,採用高電壓(800V)電池的汽車越來越多,這就需要更高耐壓且更低損耗的功率元器件。因此,除650V耐壓的IGBT產品外,對1200V耐壓IGBT的需求也日益高漲。
在這種背景下,ROHM開發出滿足汽車電子產品可靠性標準AEC-Q101的1200V耐壓產品,與650V耐壓產品共同構成了豐富的產品陣容。RGS系列實現了業界領先的低傳導損耗(Vce(sat.)),非常有助於應用的小型化和高效化。此外,1200V耐壓產品的短路耐受※5)時間為10μsec(Tj=25℃),即使在要求高可靠性的車載領域也可放心使用。

<特點>
1.業界領先的低傳導損耗
通過優化器件結構,在1200V耐壓級別將傳導損耗(VCE(sat.))降至1.70V(typ Tj=25℃),與其他公司同等產品(1200V、40A產品)相比,傳導損耗改善了約10~15%。
尤其是在電動壓縮機和PTC加熱器中,由於驅動頻率較Genicom低,故對傳導損耗的重視程度高於開關特性,RGS系列的出色表現已經獲得客戶的高度好評。
2.產品陣容豐富,滿足客戶多樣化需求
此次推出的四款1200V耐壓產品,加上量產中的650V耐壓產品,共11種機型。產品陣容中包括IGBT單品和續流二極體※6)內置型兩種類型的產品,客戶可根據需求自由選用。

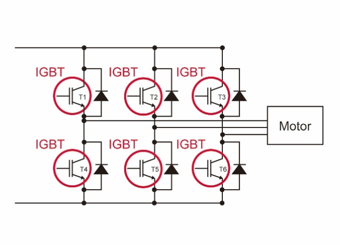
<目標電路示例>

電動壓縮機

PTC加熱器
<術語解說>
※1)汽車電子產品可靠性標準AEC-Q101
AEC是Automotive Electronics Council的縮寫,是大型汽車製造商和美國大型電子元器件製造商聯手制定的汽車電子元器件的可靠性標準。Q101是專門針對分立半導體元器件(電晶體、二極體等)制定的標準。
※2)電動壓縮機
內置電機的壓縮機。主要用於混合動力汽車和電動汽車等的空調中。
※3)PTC(Positive Temperature Coefficient:正溫度係數)加熱器
電流流過PTC元件使之產生熱量。低溫時會流過大電流,產生大量熱量,隨著發熱量的增加,電阻值增大,電流受限,從而抑制發熱量。利用這些特性,可加熱空氣和水,並使之迴圈,從而成為制熱用的熱源。
※4)傳導損耗
MOSFET和IGBT等電晶體因元器件結構的緣故,在電流流動時會發生電壓下降。傳導損耗是因這種元器件的電壓下降而產生的損耗。
※5)短路耐受能力
對於引起元器件損壞的短路(用低阻值的電阻器連接電子電路的兩點)的耐受能力。
※6)續流二極體
當電流線上圈中流動時,能量被存儲為磁場,因此即使在開關關斷時也會產生電壓以保持磁場,為了防止這種情況,與開關元件並聯插入的二極體。











