

圖1:納芯微電子發佈隔離RS-485晶片NSi83085及NSi83086
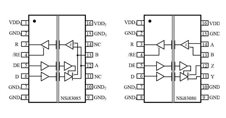
NSi83085的傳輸速率達到500kbps,其低擺率的特點能夠減小EMI以及由於終端匹配不當引起的反射,NSi83086的傳輸速率可達16Mbps。NSi83085、NSi83086的匯流排介面具有±16kV的系統級接觸放電ESD保護能力,同時具有失效保護電路,當接收器輸入處於開路、短路或者匯流排空閒時,接收器的輸出保持邏輯高電平。接收器的輸入阻抗為1/8單位負載,允許多達256個收發器掛在匯流排上。輸出驅動器提供了超大輸出電壓擺幅,從而保證了更高的雜訊容限。

圖2:NSi83085及NSi83086功能框圖
NSi83085及NSi83086具有高電磁抗擾度和低輻射的特性,非常適合於需要高質量RS-485通訊的工業環境領域,如工業自動化控制、智能電錶水錶、安防監控、光伏逆變等。在這些領域中,選擇隔離RS-485進行通訊可提高通訊品質,提升系統抗高壓浪湧的能力,並能夠更大程度地保障操作工人施工的安全性。
據悉,納芯微電子於去年12月首次推出數字隔離晶片產品,目前已發佈了兩通道、三通道、四通道標準數字隔離晶片,I²C數字隔離晶片以及隔離RS-485等產品。標準數字隔離及I²C隔離晶片均提供符合RoHS標準的窄體和寬體兩種封裝形式,並提供符合AEC-Q100車規級標準的型號供客戶選擇,此次發佈的隔離RS-485收發器NSi83085/NSi83086為SOIC-16寬體封裝。
“為了達到AEC-Q100汽車級標準,我們的數字隔離晶片均經過了一系列可靠性試驗,納芯微高可靠性、高品質的數字隔離晶片能夠滿足車載嚴苛的應用環境”,納芯微電子數字隔離產品線負責人葉健介紹說:“AEC-Q100 標準是汽車電子系統的全球通用標準,符ASSMANN合該規範要求意味著電子元件具有高質量與可靠性,可適合於汽車應用的複雜惡劣的環境中。而通過UL1577安規標準的認可,則意味著我們的產品已符合相關的國際安全標準,在產品的品質及可靠性上,納芯微數字隔離晶片已與國際標準對標。”
受中美貿易摩擦影響,國內半導體行業目前均已認知到晶片進口替代的重要性以及必然趨勢,而國產晶片必須滿足高品質、高性能、高可靠性的要求方能替代進口晶片。納芯微電子具備專業的混合信號鏈晶片研發能力,建立並完善了從晶片定義到設計及交付的完整品質管控體系,已成長為國內少數的擁有前裝汽車級產品定義、開發和量產經驗的晶片設計公司。在推出數字隔離晶片產品之初,納芯微電子即制定了“高品質進口替代”的市場策略,通過提供與國外大廠相媲美的產品,輔以本土化的客戶技術支持服務,來推動國產晶片在市場上的滲透率以及被認可度。
經過近一年的努力,納芯微雙通道數字隔離晶片以及I²C隔離晶片已經在國家重點行業、標杆客戶上實現批量供貨。納芯微電子CEO王升楊表示:“目前國內市場對於國產晶片產品普遍持開放態度,尤其是中高端市場應用的機會窗口逐漸地向國內晶片廠商所敞開,這對於像納芯微這樣的晶片設計公司來說,既是實現成長和突破的機會,同時也是證明自身能力、產品品質的機會,我相信國產晶片在接下來的幾年裏將會得到越來越多的認可。”
據透露,納芯微目前在研的數字隔離產品包括隔離CAN、隔離運放、隔離ADC、集成隔離DC/DC電源的數字隔離、隔離驅動等,預計將在明後年內陸續推出。這些產品將進一步豐富數字隔離產品線,也將會助力國產晶片在更多的領域中實現進口替代,進一步加速晶片國產化進程。










