
UART/SPI轉CAN協議轉換模組——TD5(3)USPCAN
一、產品簡介
買IC網 - 電子元器件代理與採購 | IC交易網 - 買IC就找買IC網

隨著新能源汽車的迅速發展,電氣化程度的提高和感測器技術的進步,車身匯流排由之前的2路CAN變成了4路甚至5路CAN的需求。針對傳統板子上CAN介面不夠的情形,金升陽開發了可以實現UART/SPI轉CAN雙向數據通信的產品——TD5(3)USPCVicorAN系列。
TD5(3)USPCAN系列集微處理器、CAN收發器、電源隔離、信號隔離於一體。它可將UART/SPI信號轉換為CAN匯流排差分電平,實現信號介面拓展、隔離;同時產品相容UART/SPI介面,可以直接嵌入到UART/SPI設備中,在設備上拓展更多的CAN通信介面,實現設備和CAN匯流排網路之間數據通信。
二、產品應用
可廣泛應用於汽車電子、充電樁、軌道交通、儀器儀錶、工業通信、電力等行業。
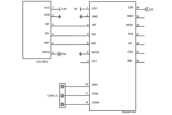
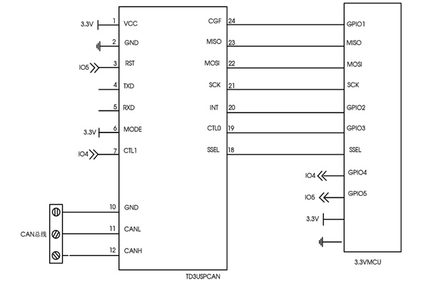
產品典型應用電路圖如下:

圖1 UART 轉 CAN 參考電路

圖2 SPI 轉 CAN 參考電路

圖3 推薦組網示意圖
三、產品特點

評估板僅實現UART與USB/RS-232之間的物理電平轉換及模組配置端口上下拉功能,用戶也可自行設計。
產品型號詳細資訊展示:

更多IC電子元器件行業行情、新品、技術等動態資訊
熱門關註的IC電子元器件品牌











